


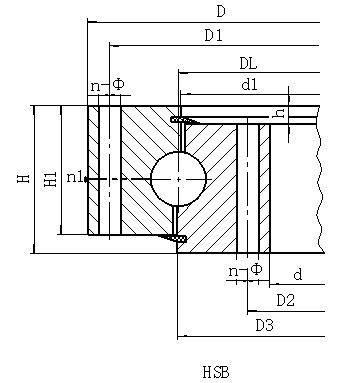
單排四點接觸球式(HS系列)
單排四點接觸球式回轉支承(HS系列)——無齒式
結構特點、性能、適用范圍
單排四點接觸球式回轉支承由兩個座圈組成,結構緊湊、重量輕、鋼球與圓弧滾道四點接觸,能同時承受軸向力、徑向力和傾翻力矩?;剞D式輸送機、焊接操作機、中小型起重機和挖掘機等工程機械均可選用。
注:
1、n1為潤滑油孔數,均布:油杯M10×1 JB/T8440.1-TB8440.2.
2、安裝孔n-Φ可改用螺孔;齒寬b可改為H-h。
